18L-M26x1.5 K-Verschraubung metrisch leicht MMS

Art.Nr.: 9151.18181818.M

18L M26x1.5 K-Verschraubung - leichte Baureihe MMS

Die K-Verschraubung für RA Ø = 18mm/ 18L entspricht Ausführung DIN 2353.

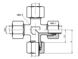
Technische Daten 18L M26x1.5 K-Verschraubung - leichte Baureihe

für Rohraußen-Ø
[mm]
Gewinde
HEX1
[mm]
 HEX2
[mm]
L
[mm]
L1
[mm]
Nenndruck
[bar]
 18  M 26 x 1,5 32 24 40,0 23,5 315

Lieferumfang K-Verschraubung 18L M26x1,5:

Im Lieferumfang sind eine K-Verschraubung für Rohrleitungen mit 18mm Außendurchmesser, 4x Schneidringe und 4x Überwurfmuttern enthalten.

Preis:

43,22 EUR

inkl. 19 % MwSt. zzgl. Versandkosten