12L-M18x1.5 K-Verschraubung metrisch leicht MMS

Art.Nr.: 9151.12121212.M

12L M18x1.5 K-Verschraubung - leichte Baureihe MMS

Die K-Verschraubung für RA Ø = 12mm/ 12L entspricht Ausführung DIN 2353.

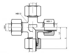
Technische Daten 12L M18x1.5 K-Verschraubung - leichte Baureihe

für Rohraußen-Ø
[mm]
Gewinde
HEX1
[mm]
 HEX2
[mm]
L
[mm]
L1
[mm]
Nenndruck
[bar]
 12  M 18 x 1,5 22 17 32,0 17,0 315

Lieferumfang K-Verschraubung 12L M18x1,5:

Im Lieferumfang sind eine K-Verschraubung für Rohrleitungen mit 12mm Außendurchmesser, 4x Schneidringe und 4x Überwurfmuttern enthalten.

Preis:

28,68 EUR

inkl. 19 % MwSt. zzgl. Versandkosten