10L-M16x1.5 K-Verschraubung metrisch leicht MMS

Art.Nr.: 9151.10101010.M

10L M16x1.5 K-Verschraubung - leichte Baureihe MMS

Die K-Verschraubung für RA Ø = 10mm/ 10L entspricht Ausführung DIN 2353.

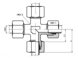
Technische Daten 10L M16x1.5 K-Verschraubung - leichte Baureihe

für Rohraußen-Ø
[mm]
Gewinde
HEX1
[mm]
 HEX2
[mm]
L
[mm]
L1
[mm]
Nenndruck
[bar]
 10  M 16 x 1,5 19 14 30,0 15,0 315

Lieferumfang K-Verschraubung 10L M16x1,5:

Im Lieferumfang sind eine K-Verschraubung für Rohrleitungen mit 10mm Außendurchmesser, 4x Schneidringe und 4x Überwurfmuttern enthalten.

Preis:

22,59 EUR

inkl. 19 % MwSt. zzgl. Versandkosten