6L-M12x1.5 K-Verschraubung metrisch leicht MMS

Art.Nr.: 9151.06060606.M

6L M12x1.5 K-Verschraubung - leichte Baureihe MMS

Die K-Verschraubung für RA Ø = 6mm/ 6L entspricht Ausführung DIN 2353.

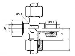
Technische Daten 6L M12x1.5 K-Verschraubung - leichte Baureihe

für Rohraußen-Ø
[mm]
Gewinde
HEX1
[mm]
 HEX2
[mm]
L
[mm]
L1
[mm]
Nenndruck
[bar]
 6  M 12 x 1,5 14 12 27,0 12,0 315

Lieferumfang K-Verschraubung 6L M12x1,5:

Im Lieferumfang sind eine K-Verschraubung für Rohrleitungen mit 6mm Außendurchmesser, 4x Schneidringe und 4x Überwurfmuttern enthalten.

Preis:

5,66 EUR

inkl. 19 % MwSt. zzgl. Versandkosten